Stabilità delle piastre di mensola mediante analisi di instabilità locale e analisi materiale non lineare (AISC)

Questo articolo è disponibile anche in:
Tradotto dall'intelligenza artificiale dall'inglese
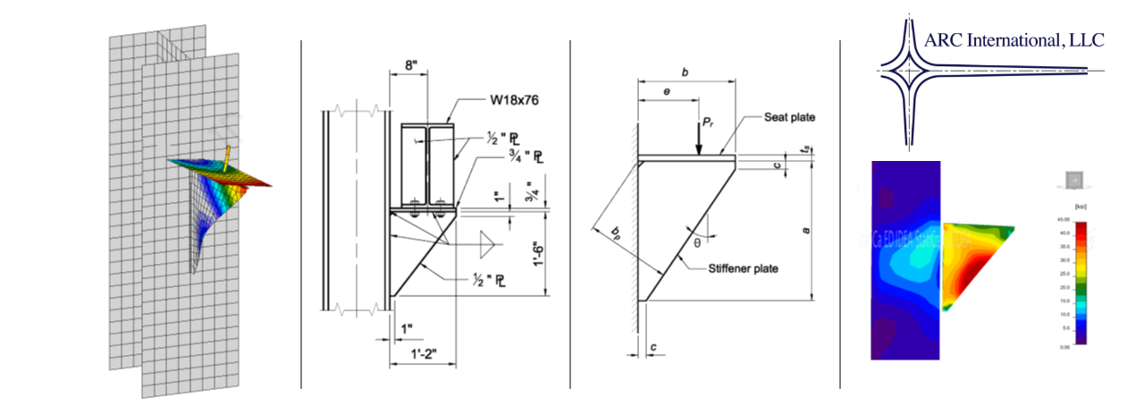
È stato condotto uno studio di ricerca per sviluppare linee guida progettuali pratiche per la resistenza all'instabilità delle piastre di mensola, implementabili mediante analisi di instabilità locale e analisi materiale non lineare.

Nella progettazione dei collegamenti secondo AISC 360, il capitolo J.4 stabilisce le formule per gli elementi degli elementi strutturali nei collegamenti e per gli elementi di collegamento, come piastre, piastre di nodo, angolari e mensole. Il metodo di progettazione tradizionale utilizza equazioni matematiche per calcolare la resistenza degli elementi strutturali.

Sebbene siano state sviluppate equazioni accurate per le condizioni più comuni, per alcuni elementi di collegamento sono disponibili solo equazioni empiriche o semi-empiriche. Tuttavia, con adeguate tecniche di modellazione, i collegamenti possono essere progettati con modelli agli elementi finiti considerando quanto segue:

  • Analisi materiale non lineare (MNA) per una previsione accurata della resistenza.
  • L'analisi lineare di instabilità (LBA) può fornire informazioni sul comportamento ideale di instabilità elastica dei collegamenti.
  • Non linearità geometriche (GMNIA) per includere effetti del secondo ordine, comportamento inelastico del materiale, imperfezioni geometriche e tensioni residue nell'LBA.

 La ricerca include dati sperimentali provenienti da 86 provini sperimentali, calcoli manuali utilizzando il metodo di progettazione del manuale AISC 15th edizione e il Metodo degli Elementi Finiti.

Conclusioni:

  • Per gli 86 provini, il metodo di progettazione del manuale AISC 15ª edizione è risultato conservativo
  • I risultati hanno dimostrato che è possibile ottenere risultati accurati con il Metodo degli Elementi Finiti combinando MNA e LBA.
  • Per evitare l'instabilità, il carico critico, Pel, basato sull'LBA, deve essere uguale o superiore a 4Pr per la progettazione LRFD e 6Pr per la progettazione ASD.
  • Viene presentato un esempio di progettazione di un collegamento a mensola utilizzando calcoli manuali e analisi agli elementi finiti.

Scarica il documento completo

Autore: Bo Doswell, PE, Ph.D.

Azienda: ARC International, LLC

Data: 26 agosto 2022

Informazioni sull'autore:

Bo Dowswell ha iniziato a lavorare nel settore dell'acciaio nel 1985 come disegnatore. Da allora, ha conseguito i titoli di B.S., M.S. e Ph.D. presso la Auburn University e la University of Alabama at Birmingham. Come ingegnere professionista, la sua attività progettuale è incentrata sulle strutture in acciaio. Attualmente è titolare sia di SDS Consulting, uno studio di progettazione, sia di ARC International, specializzata in ricerca e consulenza. Bo Dowswell è anche professore a contratto presso la University of Alabama at Birmingham, dove la sua ricerca e il suo insegnamento sono concentrati sulla progettazione dei collegamenti in acciaio. Fornisce inoltre servizi di consulenza per l'AISC Steel Solutions Center.

Bo Dowswell è l'autore della AISC Design Guide 33, Curved Member Design, e pubblica regolarmente articoli tecnici sulla progettazione in acciaio. Ha vinto il premio AISC T. R. Higgins Lectureship Award 2020 per le sue ricerche e pubblicazioni sulle piastre di nodo. È membro di diversi comitati AISC, tra cui il Committee on Specifications, il Committee on Manuals, il Committee on Research e il Task Group on Industrial Buildings and Nonbuilding Structures. Bo Dowswell è inoltre membro dello Structural Stability Research Council, dove le sue attività sono principalmente legate alla stabilità degli elementi di collegamento e delle travi.