Vasbeton ívhíd utólagos megerösítése, Csehország

Ez a cikk a következő nyelveken is elérhető
Ez a tanulmány egy régi vasbeton közúti híd elemzését mutatja be, amely két betonívből és függesztett beton aljzatból áll. A Mrlina folyón nyúlik át a csehországi Krinecben.

A hidat 1915 -1918-ban építették Stanislav Bechyne professzor úr, a híres vasbeton szerkezetek tervezője tervezte.

Ívhíd

inline image in article
inline image in article
inline image in article

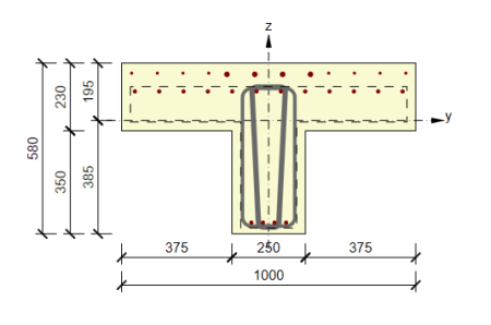
A hídszerkezet két betonívből és függesztett beton aljzatból áll. Az íveket integrálják (mereven összekötik) tartóoszlopokkal, az alsó fedélzetet betonkötésekre függesztik. Az ívek alsó húrjait acéllemezekkel megerősített külső tartók alkotják, amelyek oszlopokban vannak rögzítve. A híd fedélzet beton fedéllel ellátott beton rácsból áll. A hidat egy új kompozit betonlap és a meglévő felépítmény helyreállítása erősítette.

Végeselem modell

A 3D VE (végeselem) modellt a SCIA Engineer szoftverben hozták létre. A hídszerkezetet az 1D gerenda és a 2D héjelemek kombinálásával modelleztük. Az importált belső erőket úgy kaptuk meg, hogy a bordaerőket és erőket integráltuk a szomszédos hatékony födémbe. Ezért szükséges volt a keresztirányú nyíróerők és hajlítónyomatékok, valamint a torziós momentumok irreális értékeinek korrigálása. Tekintettel arra, hogy a 3D szerkezeti modell nem tartotta tiszteletben az építési szakaszokat, irreális húzóerő jelent meg a hosszanti gerendában az önsúlyának hatása miatt. A tervezők úgy döntöttek, hogy kompenzálják a 3D szerkezeti modell ezen hátrányát úgynevezett felhasználó által meghatározott belső erők alkalmazásával az IDEA StatiCa-ban.

Eljárás a híd terhelésének elemzéséhez

1. A modell importálása az IDEA Statisztikai BIM-be

Minden adatot automatikusan importálunk a 3D VE programból XML fájl segítségével. Az IDEA StatiCa BIM a modellgeometriát, keresztmetszeteket, anyagokat és gerenda eredményeket a Scia Engineer-ből importálja.

2. A strukturális ellenőrzések paramétereinek beállítása az IDEA StatiCa BIM-ben

  • Rudak automatikus hozzárendelése a méretezési csoporokhoz.
inline image in article
  • Exportálja a tervezőcsoportot, a BEAM alkalmazásban oldaltagokkal, majd a megerősítés alkalmazását.
inline image in article
inline image in article
inline image in article
  • Rendelje a terhelési eseteket híd terhelési csoportokba
inline image in article
  • Load combinations for bridges
inline image in article
  • A hídterhelés-elemzés során elvégzendő ellenőrzések beállítása és kiválasztása
inline image in article

3. Eredmények

  • Összefoglaló eredmények
inline image in article
  • Részletes eredmény
inline image in article